SeaFlo
Seaflo Elektronisk nivåvakt 12/24v med vannsensor
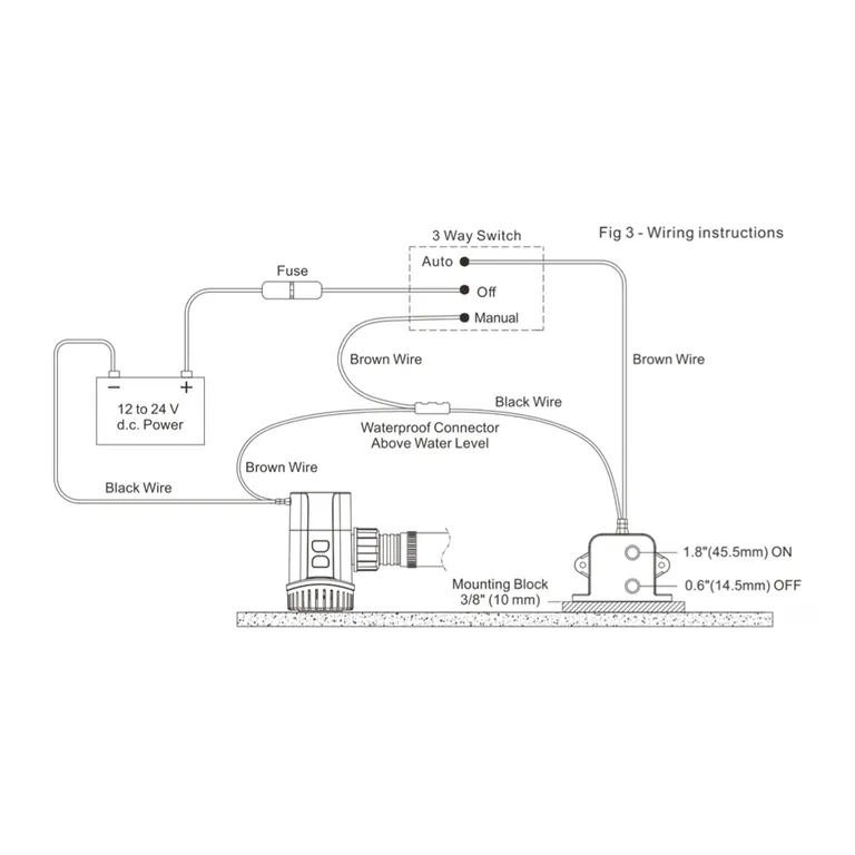
Seaflo elektronisk nivåvakt 12/24v med vannsensor. For pumper opp til 20A/12V og 10A/24V. Isolert elektronikk.
Varenummer SFBS-20-06589,–
inkl. mva Få på lager
Leveringsalternativer
Skriv inn postnummer for fraktpris






