
Honda
Honda Anode for girhus og brakett BF15-BF50
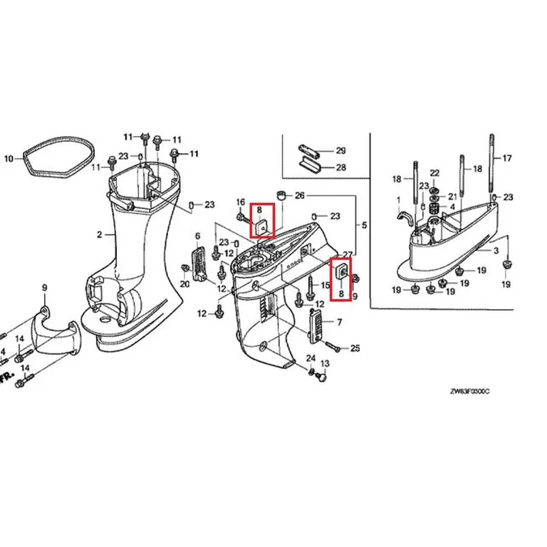
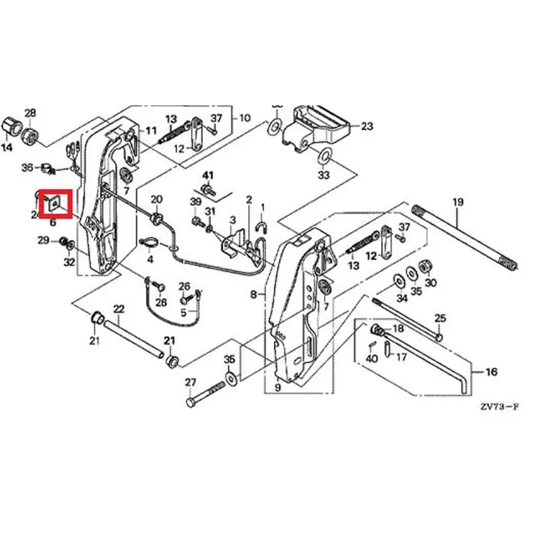
Honda Anode for girhus og brakett BF15-50 hk. Original Honda-anode i aluminiumslegering for BF15-BF50. Honda nr: BF175-BF350.
Varenummer HO2310053269,–
inkl. mva På lager
Leveringsalternativer
Skriv inn postnummer for fraktpris




